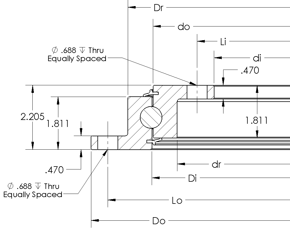
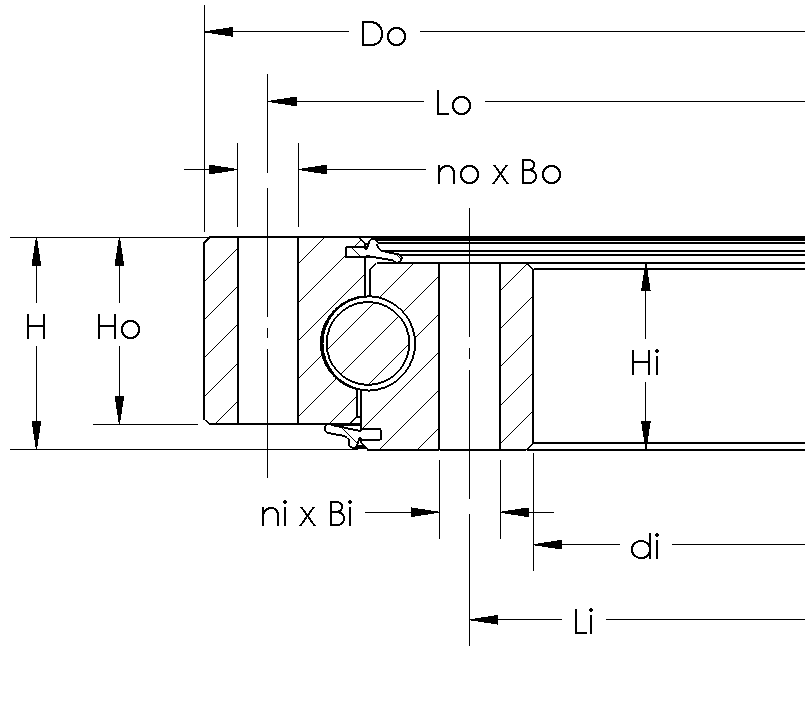
This series is manufactured without teeth on either ring. The S-series is simply composed of an internal ring, an external ring, and a specific number of rolling elements in between. These rings are mainly used as idlers in many applications that require heavy load to be carried but does not to be motorized to rotate. Applications include hose reels, hand rotated pallets in the packaging industry, and positioner follower support for large welding structures. In some industries, S-series slew rings are used as an idler to Slew Drive carrying and rotating the load.
| Part Number | Outline Dimensions & Weight | Mounting Holes | Moment Rating | |||||||||
| Outer Ring | Inner Ring | |||||||||||
| Do (in) | di (in) | Dr (in) | Di (in) | do (in) | dr (in) | G (lbs) | Lo (in) | no | Li (in) | ni | Mt (ft-lbs) | |
| S.410.120.11I.1C | 20.39 | 11.97 | 17.87 | 16.22 | 16.14 | 14.49 | 58 | 19.25 | 8 | 13.13 | 12 | 22,700 |
| S.540.120.11I.1C | 25.51 | 17.09 | 22.99 | 21.34 | 21.26 | 19.61 | 76 | 24.38 | 12 | 18.13 | 15 | 37,700 |
| S.640.120.11I.1C | 29.45 | 21.03 | 26.93 | 25.28 | 25.2 | 23.55 | 89 | 28.38 | 12 | 22.13 | 18 | 49,800 |
| S.740.120.11I.1C | 33.39 | 24.97 | 30.87 | 29.22 | 29.14 | 27.49 | 104 | 32.25 | 15 | 26.13 | 18 | 54,200 |
| S.840.120.11I.1C | 37.32 | 28.9 | 34.8 | 33.15 | 33.07 | 31.42 | 118 | 36.25 | 18 | 30 | 18 | 56,500 |
| S.940.120.11I.1C | 41.26 | 32.84 | 38.74 | 37.09 | 37.01 | 35.36 | 132 | 40.13 | 18 | 34 | 20 | 65,200 |
| S.1090.120.11I.1C | 47.17 | 38.75 | 44.65 | 43 | 42.92 | 41.27 | 153 | 46 | 18 | 39.88 | 24 | 75,500 |
| Tolerances | 0 | ±.040 | Ref. | Ref. | Ref. | 0.08 | ||||||
| -0.03 | 0 | |||||||||||
| Part Number | Outline Dimensions & Weight | Mounting Holes | Moment Rating | |||||||||
| Outer Ring | Inner Ring | |||||||||||
| Do (mm) | di (mm) | Dr (mm) | Di (mm) | do (mm) | dr (mm) | G (kg) | Lo (mm) | no | Li (mm) | ni | Mt (kN-m) | |
| S.410.120.11M.1C | 517.91 | 304.04 | 453.90 | 411.99 | 409.96 | 368.05 | 26.30 | 488.95 | 8.00 | 333.50 | 12.00 | 30,781.20 |
| S.540.120.11M.1C | 647.95 | 434.09 | 583.95 | 542.04 | 540.00 | 498.09 | 34.47 | 619.25 | 12.00 | 460.50 | 15.00 | 51,121.20 |
| S.640.120.11M.1C | 748.03 | 534.16 | 684.02 | 642.11 | 640.08 | 598.17 | 40.36 | 720.85 | 12.00 | 562.10 | 18.00 | 67,528.80 |
| S.740.120.11M.1C | 848.11 | 634.24 | 784.10 | 742.19 | 740.16 | 698.25 | 47.16 | 819.15 | 15.00 | 663.70 | 18.00 | 73,495.20 |
| S.840.120.11M.1C | 947.93 | 734.06 | 883.92 | 842.01 | 839.98 | 798.07 | 53.51 | 920.75 | 18.00 | 762.00 | 18.00 | 76,614.00 |
| S.940.120.11M.1C | 1,048.00 | 834.14 | 984.00 | 942.09 | 940.05 | 898.14 | 59.86 | 1,019.30 | 18.00 | 863.60 | 20.00 | 88,411.20 |
| S.1090.120.11M.1C | 1,198.12 | 984.25 | 1,134.11 | 1,092.20 | 1,090.17 | 1,048.26 | 69.39 | 1,168.40 | 18.00 | 1,012.95 | 24.00 | 1,02,378.00 |
| Tolerances | 0 | ±.040 | Ref. | Ref. | Ref. | 0.08 | ||||||
| -0.03 | 0 | |||||||||||
| Part Number | Outline Dimensions & Weight | Mounting Holes | Moment Rating | ||||||||||
| Outer Ring | Inner Ring | ||||||||||||
| Do (in) | di (in) | H (in) | Hi / Ho | G (lbs) | Lo (in) | No | Bo (in) | Li (in) | ni | Bi (in) | Mt (ft-lbs) | ||
| S.175.112.11I.1B | 8.898 | 4.803 | 1.339 | 1.142 | 13 | 8.189 | 12 | 0.354 | 5.512 | 12 | 0.354 | 5,020 | |
| S.175.112.22I.1B | 8.898 | 4.803 | 1.339 | 1.142 | 13 | 8.189 | 12 | 5/16-18 UNC | 5.512 | 12 |
|
5,020 | |
| S.197.112.11I.1B | 9.803 | 5.63 | 1.339 | 1.142 | 15 | 8.937 | 12 | 0.433 | 6.496 | 12 | 0.433 | 8,950 | |
| S.197.112.22I.1B | 9.803 | 5.63 | 1.339 | 1.142 | 15 | 8.937 | 12 | 3/8-16 UNC | 6.496 | 12 |
|
8,950 | |
| Part Number | Outline Dimensions & Weight | Mounting Holes | Moment Rating | |||||||||
| Outer Ring | Inner Ring | |||||||||||
| Do (mm) | di (mm) | H (mm) | Hi / Ho | G (kg) | Lo (mm) | No | Bo (mm) | Li (mm) | ni | Bi (mm) | Mt (kN-m) | |
| S.175.112.11M.1B | 226.01 | 122.00 | 34.01 | 29.01 | 5.90 | 208.00 | 12.00 | 8.99 | 140.00 | 12.00 | 8.99 | 6,807.12 |
| S.175.112.22M.1B | 226.01 | 122.00 | 34.01 | 29.01 | 5.90 | 208.00 | 12.00 | M8 | 140.00 | 12.00 | M8 | 6,807.12 |
| S.197.112.11M.1B | 249.00 | 143.00 | 34.01 | 29.01 | 6.80 | 227.00 | 12.00 | 11.00 | 165.00 | 12.00 | 11.00 | 12,136.20 |
| S.197.112.22M.1B | 249.00 | 143.00 | 34.01 | 29.01 | 6.80 | 227.00 | 12.00 | M10 | 165.00 | 12.00 | M10 | 12,136.20 |
| Part Number | Outline Dimensions & Weight | Mounting Holes | Moment Rating | |||||||||
| Outer Ring | Inner Ring | |||||||||||
| Do (in) | di (in) | H (in) | Hi / Ho | G (lbs) | Lo (in) | No | Bo (in) | Li (in) | ni | Bi (in) | Mt (ft-lbs) | |
| S.240.120.11I.1B | 12.205 | 6.693 | 1.811 | 1.614 | 33 | 11.024 | 12 | 0.512 | 7.874 | 12 | 0.512 | 16,520 |
| S.240.120.22I.1B | 12.205 | 6.693 | 1.811 | 1.614 | 33 | 11.024 | 12 | 1/2-13 UNC | 7.874 | 12 | 1/2-13 UNC | 16,520 |
| S.410.120.11I.1B | 20.4 | 12 | 2.2 | 1.8 | 103 | 19 | 8 | 0.688 | 13.5 | 12 | 0.688 | 50,500 |
| S.540.120.11I.1B | 25.5 | 17 | 2.2 | 1.8 | 137 | 24 | 12 | 0.688 | 18.5 | 15 | 0.688 | 72,700 |
| S.640.120.11I.1B | 29.5 | 21 | 2.2 | 1.8 | 162 | 28 | 15 | 0.688 | 22.5 | 18 | 0.688 | 91,800 |
| S.740.120.11I.1B | 33.4 | 25 | 2.2 | 1.8 | 186 | 32 | 15 | 0.688 | 26.5 | 18 | 0.688 | 111,900 |
| S.840.120.11I.1B | 37.4 | 28.83 | 2.2 | 1.8 | 216 | 35.75 | 18 | 0.688 | 30.5 | 20 | 0.688 | 128,000 |
| S.940.120.11I.1B | 41.25 | 32.83 | 2.2 | 1.8 | 233 | 39.75 | 18 | 0.688 | 34.38 | 20 | 0.688 | 130,900 |
| S.1090.120.11I.1B | 47.18 | 38.75 | 2.2 | 1.8 | 269 | 45.62 | 20 | 0.688 | 40.25 | 24 | 0.688 | 139,900 |
| Part Number | Outline Dimensions & Weight | Mounting Holes | Moment Rating | |||||||||
| Outer Ring | Inner Ring | |||||||||||
| Do (mm) | di (mm) | H (mm) | Hi / Ho | G (kg) | Lo (mm) | No | Bo (mm) | Li (mm) | ni | Bi (mm) | Mt (kN-m) | |
| S.240.120.11M.1B | 310.01 | 170.00 | 46.00 | 41.00 | 14.97 | 280.01 | 12.00 | 13.00 | 200.00 | 12.00 | 13.00 | 22,401.12 |
| S.240.120.22M.1B | 310.01 | 170.00 | 46.00 | 41.00 | 14.97 | 280.01 | 12.00 | M12 | 200.00 | 12.00 | M12 | 22,401.12 |
| S.410.120.11M.1B | 518.16 | 304.80 | 55.88 | 45.72 | 46.71 | 482.60 | 8.00 | 17.48 | 342.90 | 12.00 | 17.48 | 68,478.00 |
| S.540.120.11M.1B | 647.70 | 431.80 | 55.88 | 45.72 | 62.13 | 609.60 | 12.00 | 17.48 | 469.90 | 15.00 | 17.48 | 98,581.20 |
| S.640.120.11M.1B | 749.30 | 533.40 | 55.88 | 45.72 | 73.47 | 711.20 | 15.00 | 17.48 | 571.50 | 18.00 | 17.48 | 1,24,480.80 |
| S.740.120.11M.1B | 848.36 | 635.00 | 55.88 | 45.72 | 84.35 | 812.80 | 15.00 | 17.48 | 673.10 | 18.00 | 17.48 | 1,51,736.40 |
| S.840.120.11M.1B | 949.96 | 732.28 | 55.88 | 45.72 | 97.96 | 908.05 | 18.00 | 17.48 | 774.70 | 20.00 | 17.48 | 1,73,568.00 |
| S.940.120.11M.1B | 1,047.75 | 833.88 | 55.88 | 45.72 | 105.67 | 1,009.65 | 18.00 | 17.48 | 873.25 | 20.00 | 17.48 | 1,77,500.40 |
| S.1090.120.11M.1B | 1,198.37 | 984.25 | 55.88 | 45.72 | 121.99 | 1,158.75 | 20.00 | 17.48 | 1,022.35 | 24.00 | 17.48 | 1,89,704.40 |
| Part Number | Outline Dimensions & Weight | Mounting Holes | Moment Rating | |||||||||
| Outer Ring | Inner Ring | |||||||||||
| Do (in) | di (in) | H (in) | Hi / Ho | G (lbs) | Lo (in) | No | Bo (in) | Li (in) | ni | Bi (in) | Mt (ft-lbs) | |
| S.225.122.11I.1B | 11.811 | 5.709 | 1.968 | 1.732 | 37 | 10.63 | 16 | 0.562 | 6.89 | 16 | 0.562 | 26,000 |
| S.225.122.22I.1B | 11.811 | 5.709 | 1.968 | 1.732 | 37 | 10.63 | 16 | 5/8-11 UNC | 6.89 | 16 | 5/8-11 UNC | 26,000 |
| S.225.122.11I.4B | 12.286 | 5.709 | 1.968 | 1.732 | 41 | 10.63 | 16 | 0.594 | 6.89 | 16 | 0.594 | 30,600 |
| S.225.122.22I.4B | 12.286 | 5.709 | 1.968 | 1.732 | 41 | 10.63 | 16 | 9/16-12 UNC | 6.89 | 16 | 9/16-12 UNC | 30,600 |
| S.290.122.11I.1B | 14.37 | 8.268 | 1.575 | 1.496 | 38 | 13.19 | 16 | 0.562 | 9.449 | 20 | 0.562 | 44,500 |
| S.290.122.22I.1B | 14.37 | 8.268 | 1.575 | 1.496 | 38 | 13.19 | 16 | 5/8-11 UNC | 9.449 | 20 | 5/8-11 UNC | 44,500 |
| S.290.122.11I.4B | 14.686 | 8.268 | 1.968 | 1.732 | 48 | 13.19 | 16 | 0.594 | 9.449 | 20 | 0.594 | 52,100 |
| S.290.122.22I.4B | 14.686 | 8.268 | 1.968 | 1.732 | 48 | 13.19 | 16 | 9/16-12 UNC | 9.449 | 20 | 9/16-12 UNC | 52,100 |
| S.345.122.11I.1B | 16.535 | 10.433 | 1.968 | 1.732 | 54 | 15.354 | 18 | 0.562 | 11.614 | 24 | 0.562 | 62,000 |
| S.341.122.22I.1B | 16.535 | 10.433 | 1.968 | 1.732 | 54 | 15.354 | 18 | 5/8-11 UNC | 11.614 | 24 | 5/8-11 UNC | 62,000 |
| S.341.122.11I.4B | 17.086 | 10.433 | 1.968 | 1.732 | 61 | 15.354 | 18 | 0.594 | 11.614 | 24 | 0.594 | 71,900 |
| S.341.122.22I.4B | 17.086 | 10.433 | 1.968 | 1.732 | 61 | 15.354 | 18 | 9/16-12 UNC | 11.614 | 24 | 9/16-12 UNC | 71,900 |
| Part Number | Outline Dimensions & Weight | Mounting Holes | Moment Rating | |||||||||
| Outer Ring | Inner Ring | |||||||||||
| Do (mm) | di (mm) | H (mm) | Hi / Ho | G (kg) | Lo (mm) | No | Bo (mm) | Li (mm) | ni | Bi (mm) | Mt (kN-m) | |
| S.225.122.11M.1B | 300.00 | 145.01 | 49.99 | 43.99 | 16.78 | 270.00 | 16.00 | 14.27 | 175.01 | 16.00 | 14.27 | 35,256.00 |
| S.225.122.22M.1B | 300.00 | 145.01 | 49.99 | 43.99 | 16.78 | 270.00 | 16.00 | M16 | 175.01 | 16.00 | M16 | 35,256.00 |
| S.225.122.11M.4B | 312.06 | 145.01 | 49.99 | 43.99 | 18.59 | 270.00 | 16.00 | 15.09 | 175.01 | 16.00 | 15.09 | 41,493.60 |
| S.225.122.22M.4B | 312.06 | 145.01 | 49.99 | 43.99 | 18.59 | 270.00 | 16.00 | M16 | 175.01 | 16.00 | M16 | 41,493.60 |
| S.290.122.11M.1B | 365.00 | 210.01 | 40.01 | 38.00 | 17.23 | 335.03 | 16.00 | 14.27 | 240.00 | 20.00 | 14.27 | 60,342.00 |
| S.290.122.22M.1B | 365.00 | 210.01 | 40.01 | 38.00 | 17.23 | 335.03 | 16.00 | M16 | 240.00 | 20.00 | M16 | 60,342.00 |
| S.290.122.11M.4B | 373.02 | 210.01 | 49.99 | 43.99 | 21.77 | 335.03 | 16.00 | 15.09 | 240.00 | 20.00 | 15.09 | 70,647.60 |
| S.290.122.22M.4B | 373.02 | 210.01 | 49.99 | 43.99 | 21.77 | 335.03 | 16.00 | M16 | 240.00 | 20.00 | M16 | 70,647.60 |
| S.341.122.11M.1B | 419.99 | 265.00 | 49.99 | 43.99 | 24.49 | 389.99 | 18.00 | 14.27 | 295.00 | 24.00 | 14.27 | 84,072.00 |
| S.341.122.22M.1B | 419.99 | 265.00 | 49.99 | 43.99 | 24.49 | 389.99 | 18.00 | M16 | 295.00 | 24.00 | M16 | 84,072.00 |
| S.341.122.11M.4B | 433.98 | 265.00 | 49.99 | 43.99 | 27.66 | 389.99 | 18.00 | 15.09 | 295.00 | 24.00 | 15.09 | 97,496.40 |
| S.341.122.22M.4B | 433.98 | 265.00 | 49.99 | 43.99 | 27.66 | 389.99 | 18.00 | M16 | 295.00 | 24.00 | M16 | 97,496.40 |
| Part Number | Outline Dimensions & Weight | Mounting Holes | Moment Rating | |||||||||
| Outer Ring | Inner Ring | |||||||||||
| Do (in) | di (in) | H (in) | Hi / Ho | G (lbs) | Lo (in) | No | Bo (in) | Li (in) | ni | Bi (in) | Mt (ft-lbs) | |
| S.423.125.33I.1B | 20.486 | 12.75 | 2.062 | 2.022 | 105 | 18.875 | 20 | 5/8-11 UNC | 14.375 | 20 | 5/8-11 UNC | 1,02,400 |
| S.423.125.11I.4B | 20.486 | 12.77 | 2.375 | 2.063 | 105 | 18.875 | 20 | 0.688 | 14.375 | 20 | 0.688 | 1,02,400 |
| S.504.125.11I.1B | 24.65 | 16.25 | 2.375 | 2.063 | 145 | 22.25 | 16 | 0.813 | 17.75 | 20 | 0.813 | 1,59,000 |
| S.504.125.33I.1B | 24.65 | 16.25 | 2.375 | 2.063 | 145 | 22.25 | 16 | 3/4-10 UNC | 17.75 | 20 | 3/4-10 UNC | 1,59,000 |
| S.564.125.11I.1B | 26.9 | 18.5 | 2.375 | 2.063 | 155 | 24.5 | 18 | 0.813 | 20 | 24 | 0.813 | 1,88,000 |
| S.564.125.33I.1B | 26.9 | 18.5 | 2.375 | 2.063 | 155 | 24.5 | 18 | 3/4-10 UNC | 20 | 24 | 3/4-10 UNC | 1,88,000 |
| S.634.125.11I.1B | 29.65 | 21.25 | 2.375 | 2.063 | 180 | 27.25 | 24 | 0.813 | 22.75 | 28 | 0.813 | 2,32,000 |
| S.634.125.33I.1B | 29.65 | 21.25 | 2.375 | 2.063 | 180 | 27.25 | 24 | 3/4-10 UNC | 22.75 | 28 | 3/4-10 UNC | 2,32,000 |
| Part Number | Outline Dimensions & Weight | Mounting Holes | Moment Rating | |||||||||
| Outer Ring | Inner Ring | |||||||||||
| Do (mm) | di (mm) | H (mm) | Hi / Ho | G (kg) | Lo (mm) | No | Bo (mm) | Li (mm) | ni | Bi (mm) | Mt (kN-m) | |
| S.423.125.33M.1B | 520.34 | 323.85 | 52.37 | 51.36 | 47.62 | 479.43 | 20.00 | M16 | 365.13 | 20.00 | M16 | 1,38,854.40 |
| S.423.125.11M.4B | 520.34 | 324.36 | 60.33 | 52.40 | 47.62 | 479.43 | 20.00 | 17.48 | 365.13 | 20.00 | 17.48 | 1,38,854.40 |
| S.504.125.11M.1B | 626.11 | 412.75 | 60.33 | 52.40 | 65.76 | 565.15 | 16.00 | 20.65 | 450.85 | 20.00 | 20.65 | 2,15,604.00 |
| S.504.125.33M.1B | 626.11 | 412.75 | 60.33 | 52.40 | 65.76 | 565.15 | 16.00 | M20 | 450.85 | 20.00 | M20 | 2,15,604.00 |
| S.564.125.11M.1B | 683.26 | 469.90 | 60.33 | 52.40 | 70.29 | 622.30 | 18.00 | 20.65 | 508.00 | 24.00 | 20.65 | 2,54,928.00 |
| S.564.125.33M.1B | 683.26 | 469.90 | 60.33 | 52.40 | 70.29 | 622.30 | 18.00 | M20 | 508.00 | 24.00 | M20 | 2,54,928.00 |
| S.634.125.11M.1B | 753.11 | 539.75 | 60.33 | 52.40 | 81.63 | 692.15 | 24.00 | 20.65 | 577.85 | 28.00 | 20.65 | 3,14,592.00 |
| S.634.125.33M.1B | 753.11 | 539.75 | 60.33 | 52.40 | 81.63 | 692.15 | 24.00 | M20 | 577.85 | 28.00 | M20 | 3,14,592.00 |
| Part Number | Outline Dimensions & Weight | Mounting Holes | Moment Rating | |||||||||
| Outer Ring | Inner Ring | |||||||||||
| Do (in) | di (in) | H (in) | Hi / Ho | G (lbs) | Lo (in) | No | Bo (in) | Li (in) | ni | Bi (in) | Mt (ft-lbs) | |
| S.706.132.11I.1B | 33.534 | 23.125 | 2.875 | 2.563 | 305 | 30.625 | 18 | 0.938 | 24.875 | 24 | 0.938 | 3,38,000 |
| S.706.132.33I.1B | 33.534 | 23.125 | 2.875 | 2.563 | 305 | 30.625 | 18 | 7/8-9 UNC | 24.875 | 24 | 7/8-9 UNC | 3,38,000 |
| S.763.132.11I.1B | 36 | 24 | 3.5 | 3 | 447 | 33.25 | 24 | 0.813 | 26.75 | 30 | 0.813 | 3,40,000 |
| S.823.132.11I.1B | 38.201 | 27.75 | 2.875 | 2.563 | 350 | 35.25 | 24 | 0.938 | 29.5 | 28 | 0.938 | 4,43,000 |
| S.823.132.33I.1B | 38.201 | 27.75 | 2.875 | 2.563 | 350 | 35.25 | 24 | 7/8-9 UNC | 29.5 | 28 | 7/8-9 UNC | 4,43,000 |
| S.915.132.11I.1B | 42 | 30 | 3.5 | 3 | 521 | 39.25 | 28 | 0.813 | 32.75 | 32 | 0.813 | 3,95,700 |
| S.1068.132.11I.1B | 48 | 36 | 3.5 | 3 | 628 | 45.25 | 32 | 0.813 | 38.75 | 36 | 0.813 | 4,57,000 |
| S.1220.132.11I.1B | 54 | 42 | 3.5 | 3 | 719 | 51.25 | 36 | 0.813 | 44.75 | 40 | 0.813 | 5,17,900 |
| S.1372.132.11I.1B | 60 | 48 | 3.5 | 3 | 809 | 57.25 | 40 | 0.813 | 50.75 | 44 | 0.813 | 5,78,400 |
| S.1525.132.11I.1B | 66 | 54 | 3.5 | 3 | 865 | 63.25 | 44 | 0.813 | 56.75 | 48 | 0.813 | 6,38,800 |
| S.878.138.11I.1B | 41.85 | 28.75 | 3.25 | 2.88 | 530 | 38 | 20 | 1.063 | 31 | 24 | 1.063 | 5,87,000 |
| S.878.138.33I.1B | 41.85 | 28.75 | 3.25 | 2.88 | 530 | 38 | 20 | 1-8 UNC | 31 | 24 | 1-8 UNC | 5,87,000 |
| S.1020.144.11I.1B | 47.444 | 34.25 | 4.25 | 3.875 | 835 | 43.875 | 24 | 1.188 | 36.25 | 28 | 1.188 | 8,73,000 |
| S.1020.144.33I.1B | 47.444 | 34.25 | 4.25 | 3.875 | 835 | 43.875 | 24 | 1 1/8-7 UNC | 36.25 | 28 | 1 1/8-7 UNC | 8,73,000 |
| Part Number | Outline Dimensions & Weight | Mounting Holes | Moment Rating | |||||||||
| Outer Ring | Inner Ring | |||||||||||
| Do (mm) | di (mm) | H (mm) | Hi / Ho | G (kg) | Lo (mm) | No | Bo (mm) | Li (mm) | ni | Bi (mm) | Mt (kN-m) | |
| S.706.132.11M.1B | 851.76 | 587.38 | 73.03 | 65.10 | 138.32 | 777.88 | 18.00 | 23.83 | 631.83 | 24.00 | 23.83 | 4,58,328.00 |
| S.706.132.33M.1B | 851.76 | 587.38 | 73.03 | 65.10 | 138.32 | 777.88 | 18.00 | M24 | 631.83 | 24.00 | M24 | 4,58,328.00 |
| S.763.132.11M.1B | 914.40 | 609.60 | 88.90 | 76.20 | 202.71 | 844.55 | 24.00 | 20.65 | 679.45 | 30.00 | 20.65 | 4,61,040.00 |
| S.823.132.11M.1B | 970.31 | 704.85 | 73.03 | 65.10 | 158.73 | 895.35 | 24.00 | 23.83 | 749.30 | 28.00 | 23.83 | 6,00,708.00 |
| S.823.132.33M.1B | 970.31 | 704.85 | 73.03 | 65.10 | 158.73 | 895.35 | 24.00 | M24 | 749.30 | 28.00 | M24 | 6,00,708.00 |
| S.915.132.11M.1B | 1,066.80 | 762.00 | 88.90 | 76.20 | 236.27 | 996.95 | 28.00 | 20.65 | 831.85 | 32.00 | 20.65 | 5,36,569.20 |
| S.1068.132.11M.1B | 1,219.20 | 914.40 | 88.90 | 76.20 | 284.80 | 1,149.35 | 32.00 | 20.65 | 984.25 | 36.00 | 20.65 | 6,19,692.00 |
| S.1220.132.11M.1B | 1,371.60 | 1,066.80 | 88.90 | 76.20 | 326.07 | 1,301.75 | 36.00 | 20.65 | 1,136.65 | 40.00 | 20.65 | 7,02,272.40 |
| S.1372.132.11M.1B | 1,524.00 | 1,219.20 | 88.90 | 76.20 | 366.88 | 1,454.15 | 40.00 | 20.65 | 1,289.05 | 44.00 | 20.65 | 7,84,310.40 |
| S.1525.132.11M.1B | 1,676.40 | 1,371.60 | 88.90 | 76.20 | 392.28 | 1,606.55 | 44.00 | 20.65 | 1,441.45 | 48.00 | 20.65 | 8,66,212.80 |
| S.878.138.11M.1B | 1,062.99 | 730.25 | 82.55 | 73.15 | 240.36 | 965.20 | 20.00 | 27.00 | 787.40 | 24.00 | 27.00 | 7,95,972.00 |
| S.878.138.33M.1B | 1,062.99 | 730.25 | 82.55 | 73.15 | 240.36 | 965.20 | 20.00 | M28 | 787.40 | 24.00 | M28 | 7,95,972.00 |
| S.1020.144.11M.1B | 1,205.08 | 869.95 | 107.95 | 98.43 | 378.67 | 1,114.43 | 24.00 | 30.18 | 920.75 | 28.00 | 30.18 | 11,83,788.00 |
| S.1020.144.33M.1B | 1,205.08 | 869.95 | 107.95 | 98.43 | 378.67 | 1,114.43 | 24.00 | M30 | 920.75 | 28.00 | M30 | 11,83,788.00 |
Lorem ipsum dolor sit amet, consectetur adipiscing elit. Ut elit tellus, luctus nec ullamcorper mattis, pulvinar dapibus leo.